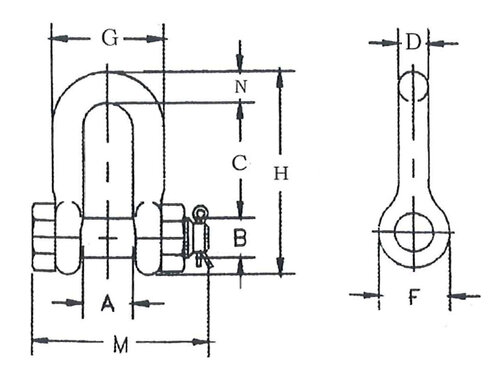
Shackles, SAE - dee mode with locking

Shackles approved for lifting. Dee shackles are suitable for use when two pieces of lifting equipment / an installment are joined together (one-leg systems). Locking bolt shackles are recommended for long-term and permanent installations, or when there is a natural tendency for the pin to unscrew (r

Show more

Part code:

Shackles approved for lifting. Dee shackles are suitable for use when two pieces of lifting equipment / an installment are joined together (one-leg systems). Locking bolt shackles are recommended for long-term and permanent installations, or when there is a natural tendency for the pin to unscrew (rotate) in the application, or when the shackle cannot be observed under operation.

  • Marking: According to standard, CE-marked
  • Standard: US. FED. SPEC. RR-C-271F
  • Safety factor: 6:1