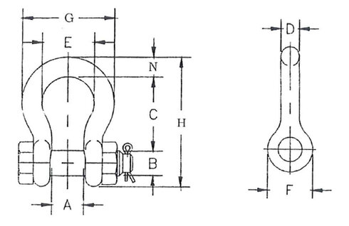
Скоба такелажна омегоподібна SAE зі шплінтовим замком

Скоба такелажна омегоподібна SAE зі шплінтовим замком

Показати більше

Part code:

Скоба такелажна омегоподібна SAE зі шплінтовим замком

  • Матеріал: Сталь
  • Маркування: Згідно зі стандартом, CE-marked
  • Температурний режим: -20 - (+)200°C
  • Покриття: Гальванчно оцинкована
  • Стандарт: US. FED. SPEC. RR-C-271F
  • Коефіціент запасу міцності: 6:1